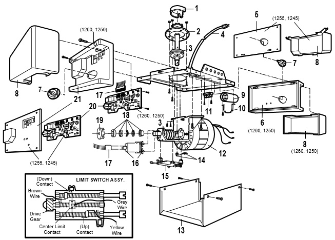
Key no. |
Part no. |
Description |
| 1 | 31D380 | Sprocket cover |
| 2 | 41C4220A | Gear and sprocket assembly |
| COMPLETE WITH: | ||
| Spring washer | ||
| Thrust Washer | ||
| Retaining Ring | ||
| Bearing plate | ||
| Roll Pins (2) | ||
| Drive gear and worm gear | ||
| Helical gear w/retainer and grease | ||
| 3 | 41A2817 | Drive/worm gear kit w/grease |
| Roll pins (2) | ||
| 4 | 41B4245 | Line cord |
| 5 | 143D100 | End panels w/all labels (1255, 1245) |
| 6 | 143D123 | End panels w/all labels (1260,1250) |
| 7 | 175B88 | Light socket |
| 8 | 108D34 | Lens (1260, 1250) |
| 108D36 | Lens (1255, 1245) | |
| 9 | 30B363 | Capacitor – 1/2 HP |
| 30B387 | Capacitor – 1/3 HP | |
| 10 | 12A373 | Capacitor bracket |
| 11 | 41A3150 | Terminal block w/screws |
| 12 | 41D3058 | Universal replacement motor & bracket assembly |
| COMPLETE WITH: | ||
| Motor | ||
| Worm | ||
| Bracket | ||
| Bearing assembly | ||
| RPM sensor | ||
| 13 | 41A3583-3 | Cover (1260, 1255) |
| 41A3583-1 | Cover (1250, 1245) | |
| 14 | 41A2818 | Helical gear & retainer w/grease |
| 15 | 41D3452 | Limit switch assembly |
| 16 | 41C4398A | RPM sensor assembly |
| 17 | 41C4246 | Wire harness assembly w/plug |
| 18 | 41A2826 | Shaft bearing kit |
| 19 | 41A2822A | Interrupter cup assembly |
| 20 | 41A4252-6C | Receiver logic board assembly (1260, 1250) |
| COMPLETE WITH: | ||
| Logic board | ||
| End Panel w/all labels | ||
| Light socket | ||
| 41A4252-7C | Receiver logic board assembly (1255, 1245) | |
| NOT SHOWN | ||
| 41A2825 | Opener assembly hardware kit (includes screws not designated by a number in illustration). |





Comments are closed.